Also Available Domains Hybrid Systems|Power Quality
The main objective of this project is to partial power conversation and high voltage ride through for PV-battery energy storage system.
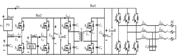
In this project, partial power conversion (PPC) of dual DC buses is proposed for AC/DC hybrid multi-port power routing (MPPR) system. The photovoltaic (PV) port, the battery port and two DC voltage buses form a power router. PV maximum power point tracking (MPPT) and high-voltage ride through (HVRT) of the grid-tied inverter are implemented by the same auxiliary port voltage modulation.
The PPC based PV conversion features that only the power determined by voltage difference between PV panel and the series connected DC bus is dealt with, which significantly reduces the loss compared to the full power conversion (FPC) for PV. The detailed control schemes of all converters and energy transmit are given. The simulation and experimental results verify the effectiveness of the proposed scheme.
Keywords: Partial power conversion, multi-port power routing, high voltage ride-through, PV-battery, grid-connected system.
NOTE: Without the concern of our team, please don't submit to the college. This Abstract varies based on student requirements.

Software Configuration:
Operating System : Windows 7/8/10
Application Software : Matlab/Simulink
Hardware Configuration:
RAM : 8 GB
Processor : I3 / I5(Mostly prefer)