The main objective of the system is to control the load frequency in a single area system
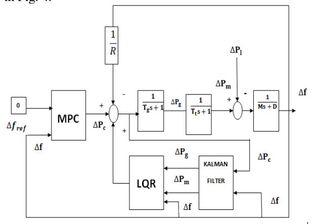
This paper proposes a design and simulation of Linear Quadratic Gaussian method (LQG) and model predictive controller (MPC) for load frequency control in single area power system to improve system performance. The proposed controller has been designed such that the effect of the uncertainty due to governor and turbine parameters variation and load disturbance is reduced.
To account for the modeling uncertainties, the proposed controller estimates the system interface variables and uses these estimates and optimizes a given performance index and allocate generating unit output. Digital simulations for a single control area are provided to validate the effectiveness of the proposed scheme.
The performance of the proposed controller is compared with (MPC) controller. The results show that with proposed (MPC+LQG) technique the system performance has good robustness in face of uncertainties due to governor and turbine parameter variation and load disturbance and carried out the superiority of the proposed (MPC+LQG) technique.
Index Termsβlinear quadratic Gaussian, load frequency control, model predictive controller, Kalman estimator
NOTE: Without the concern of our team, please don't submit to the college. This Abstract varies based on student requirements.

Software Configuration:
Operating System : Windows 7/8/10
Application Software : Matlab/Simulink
Hardware Configuration:
RAM : 8 GB
Processor : I3 / I5(Mostly prefer)