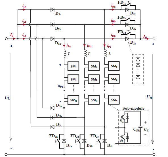
Currently, outstanding development has been made inside the voltage supply converter (VSC) based high voltage direct currnt (HVDC) transmissions. For the approaching requirement to interconnect multiple DC transmission lines with specific voltage levels, high voltage and huge energy DC/DC converters are important. The project researches a non-remoted bidirectional DC/DC converter which consists through cascaded half of-bridge SMs, series connected diodes, and mechanical disconnectors. This hybrid topology affords very attractive features together with low value, excessive efficiency, and light weight. Operation precept, parameter design, and devoted manage strategies are evolved. Simulation of a 150MW, 200kV/300kV DC/DC converter has been finished to verify its overall performance and compare the efficiency. The simulation results in addition affirm the effectiveness of the proposed DC/DC converter.
NOTE: Without the concern of our team, please don't submit to the college. This Abstract varies based on student requirements.

Software Configuration:
Operating System : Windows 7/8/10
Application Software : Matlab/Simulink
Hardware Configuration:
RAM : 8 GB / 4 GB (Min)
Processor : I3 / I5(Mostly prefer)