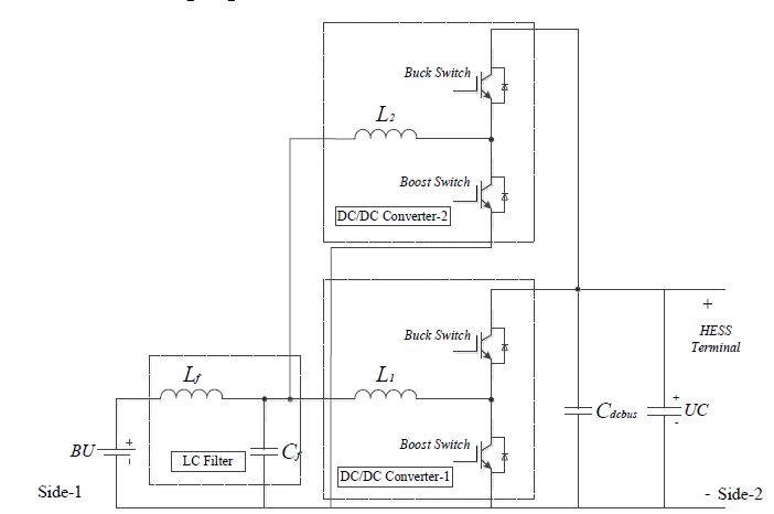
The main objective of this project is to examine the feasibility and capability of a Hybrid Energy Storage System (HESS), composed of battery and ultra-capacitor units, through simulation.
Extensive use of Internal
Combustion Engine (ICE) - based vehicles has contributed to severe adverse impacts
on the environment and accelerated depletion of fossil fuel reserves, leading
to considerable rise in price of gas over the past two decades. These
challenges, plus the low efficiency associated with the conventional
drivetrains, have made the automotive industry seriously consider and move
towards drivetrain electrification in vehicular systems.
In electrified vehicles, the propulsion is fully or partially provided by electric motors, powered by on-board energy storage systems. In an attempt to make up for the limitations of the existing energy storage devices and contribute to vehicle electrification movement, this paper examines the feasibility and capability of a Hybrid Energy Storage System (HESS), composed of battery and ultra-capacitor units, through simulation in Matlab/Simulink.
Keywords: Electric Vehicles, Hybrid Energy Storage System (HESS)
NOTE: Without the concern of our team, please don't submit to the college. This Abstract varies based on student requirements.

Software Configuration:
Operating System : Windows 7/8/10
Application Software : Matlab/Simulink
Hardware Configuration:
RAM : 8 GB
Processor : I3 / I5(Mostly prefer)