Also Available Domains Transistor Logic|Tanner EDA|Cadence EDA
The main objective of this paper is to design efficient Instrumentation Amplifier in terms of Area and power consumption. The designs of IA is built using Psuedo differential logic and also single ended topology.
Abstract:
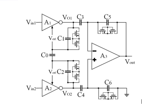
Inverter based Instrumentation Amplifier provides low power consumption and less area. In Conventional, the Inverter is based on Single Ended topology. The design of Instrumentational Amplifier based on SE topology offers high CMRR which is most disadvantage in this structure. In this paper, pseudo differential inverter is proposed. Using this structure, the Instrumentational Amplifier is designed. This novel structure of Instrumentational Amplifier is designed and simulated using Tanner EDA.
NOTE: Without the concern of our team, please don't submit to the college. This Abstract varies based on student requirements.

Software Requirements:
Hardware Requirements:
· Introduction to Analog and Digital Electronics
· Knowledge on Amplifiers
o Different types of Amplifiers
o Advantages & Applications
· Introduction to Instrumentational Amplifiers
· Tool Learning in Tanner EDA
· Transistor level design of IA
· Analysis of Circuit and Simulation results
· Scope of Instrumentational Amplifiers in today’s world.