The main objective of the project is to exchange power between two dc systems and an AC system , to reduce energy conversion stages and a more compact station footprint.
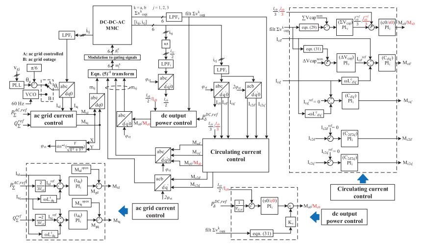
In this project, a generalized modeling and control system for two yet unexplored MP-DC2AC modular multilevel converters is proposed. As the Hybrid ac/dc power systems will rely on power electronics to enable controlled energy exchange between different dc and ac systems. M
ultiport DC–DC–AC (MP-DC2AC) converters offer the ability to exchange power between two dc systems and an ac system using a single converter structure. Potential benefits include reduced energy conversion stages and a more compact station footprint. Based on derived analytical models of internal power transfer mechanisms, a dynamic controller is proposed that allows independent control of port power flows while keeping capacitor voltages regulated.
Keywords: HVDC converters, dc–dc power conversion, dc–ac power conversion.
NOTE: Without the concern of our team, please don't submit to the college. This Abstract varies based on student requirements.

Software Configuration:
Operating System : Windows 7/8/10
Application Software : Matlab/Simulink
Hardware Configuration:
RAM : 8 GB / 4 GB (Min)
Processor : I3 / I5(Mostly prefer)