Also Available Domains Multilevel Converters
The main objective of this project is to propose a Single-Inductor Multi-Input Multilevel High Step-Up DC–DC Converter Based on Switched-Diode-Capacitor Cells for PV related Applications.
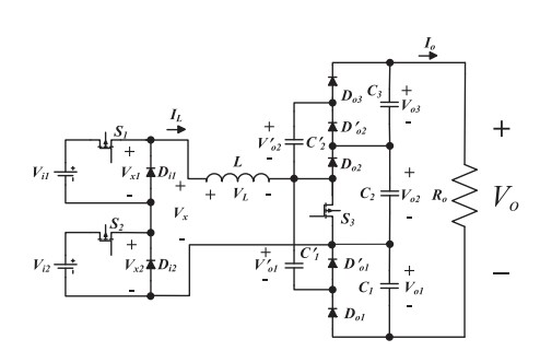
This project proposes a single-inductor multi-input multilevel high gain dc–dc converter, which is suitable for exploiting arbitrary number of PV arrays to provide fixed voltage levels for multilevel inverters. The converter is capable of transferring power from each input to the output, at the same time. Additionally, the proposed structure provides outputs with same voltage levels that makes it appropriate for connecting to multilevel inverters. Due to the deployment of diode-capacitor cells, which have been extended from both nodes of the central capacitor, the output voltage ripple has been decreased, which leads to the employment of capacitors with smaller size. Also, the number of inputs and outputs can be chosen arbitrarily. In addition, because of the utilizing only one inductor, the cost, and total size of the converter has been reduced. The control approach of the converter is pulse width modulation and all switches can be turned ON or OFF, simultaneously. The theoretical analysis and gain calculations of the converter has been investigated in this article. In order to design the converter, the voltage ripple across each capacitor has been calculated. Furthermore, a comprehensive comparison has been performed between the proposed converter and counterparts. The performance of the proposed system can be evaluated by using Matlab/Simulink.
Keywords: Dc–dc converter, multiport, single-inductor, step-up, switched-diode-capacitor
NOTE: Without the concern of our team, please don't submit to the college. This Abstract varies based on student requirements.

Software Configuration:
Operating System : Windows 7/8/10
Application Software: MATLAB/Simulink
Hardware Configuration:
RAM : 8 GB
Processor : I3 / I5 (Mostly prefer)
· Introduction to Matlab/Simulink
· What is EISPACK & LINPACK
· How to start with MATLAB
· About Matlab language
· About tools & libraries
· Application of Matlab/Simulink
· About Matlab desktop
· Features of Matlab/Simulink
· Basics on Matlab/Simulink
· We can learn about PI-Controller
· We can learn about Solar PV Applications
· We can learn about Switched-Diode-Capacitor Cells
· Project Development Skills:
o Problem analyzing skills
o Problem solving skills
o Creativity and imaginary skills
o Programming skills
o Deployment
o Testing skills
o Debugging skills
o Project presentation skills
o Thesis